Source Sampling Manual
Volume 1

![]()
![]()
January, 1976
Revisions:

April, 1979
August, 1981
January, 1992
April, 2015
July, 2018

This report prepared by:
Oregon Department of Environmental Quality
700 NE Multnomah St., Suite 600
Portland, OR 97232
1-800-452-4011
Contact:
Mark Bailey, 541-633-2006
Alternative formats (Braille, large type) of this document can be made available.
Contact DEQ’s Office of Communications & Outreach, Portland, at
503-229-5696, or toll-free in Oregon at 1-800-452-4011, ext. 5696.
Table of Contents
2.0 SOURCE SAMPLING GENERAL REQUIREMENTS 1
2.1. TESTING DEADLINES FOR CONDUCTING SOURCE SAMPLING 1
2.2. DEPARTMENT NOTIFICATION 2
2.4. MODIFICATIONS/ALTERNATIVES TO METHODS OR PROCEDURES 2
2.6. SAMPLE POSTPONEMENTS & STOPPAGES 4
2.7. TEST DURATION & SAMPLE VOLUMES 4
2.8. IN-STACK DETECTION LIMIT 5
2.9. REPRESENTATIVE TESTING CONDITIONS 6
2.10. SIGNIFICANT FIGURES & ROUNDING PROCEDURES 6
2.11. REPORTING & RECORDKEEPING 7
3.1. ESTABLISHED SAMPLING METHODS 8
3.2. DEQ SOURCE SAMPLING METHODS 9
3.3. QUALITY ASSURANCE REQUIREMENTS 9
APPENDIX A - SOURCE TEST PLAN & REPORTING REQUIREMENTS A
APPENDIX B - LISTING OF SOURCE SAMPLING METHODS B
APPENDIX C - OREGON DEQ SOURCE SAMPLING METHODS C
SUB-APPENDIX C-4 - OREGON DEQ SOURCE SAMPLING METHOD 4 C.4
SUB-APPENDIX C-5 - OREGON DEQ SOURCE SAMPLING METHOD 5 C.5
SUB-APPENDIX C-7 - OREGON DEQ SOURCE SAMPLING METHOD 7 C.7
SUB-APPENDIX C-8 - OREGON DEQ SOURCE SAMPLING METHOD 8 C.8
APPENDIX D - GENERAL CALIBRATION REQUIREMENTS D
Executive Summary
DEQ’s Source Sampling Manual provides the procedures and test methods for conducting source sampling (i.e., stack testing) at facilities regulated by DEQ. The manual includes procedures for notifying DEQ of testing projects; preparing and obtaining approval of source test plans prior to conducting the testing; and preparing source test reports after the testing is completed. The manual identifies established sampling methods that are approved for source sampling projects, as well as procedures for obtaining approval for modifications or alternatives to the methods. Most of the sampling methods are federal methods that have been incorporated by reference. However, there are several test methods that are unique to DEQ. The Source Sampling Manual was first written in 1976 with revisions in 1979, 1981, 1992, 2015 and 2018. The Source Sampling Manual is included in Oregon’s State Implementation Plan.
1.0 INTRODUCTION
1.1. PURPOSE AND SCOPE
This manual has been prepared by the Oregon Department of Environmental Quality (DEQ) for the purpose of delineating practices for the measurement and sampling of exhaust gas streams originating from point sources in accordance with Oregon Administrative Rules. Within this document, the references to permit signify either an Air Contaminant Discharge Permit (ACDP) or an Oregon Title V Operating Permit, both issued by the State of Oregon.
This manual applies to DEQ personnel, testing contractors, and permittees. Collectively, with permit requirements and promulgated sampling guidance documents, it outlines source sampling techniques approved by DEQ for use in conducting stationary source emissions testing. Unless otherwise specified in an Oregon Administrative Rule, permit, or DEQ letter, these general requirements must be followed when conducting source testing in Oregon. If there is a conflict with a permit or rule and this manual, the permit or rule will take precedence.
This 2018 revision of the Source Sampling Manual, Volume I, supersedes all previous versions of this manual.
1.2. APPLICABILITY
The procedures specified in this manual are standard requirements for measuring point source emissions under normal circumstances. Methods or techniques not cited in this manual may be approved on a case-by-case basis.
The measurement of point source emissions (i.e. stack testing) is conducted to determine the quantity, concentration, or destruction/removal of a specific pollutant or pollutants being emitted into the atmosphere by a regulated or non-regulated source.
This manual references test methods published by DEQ, EPA, and other agencies or organizations.
2.0 SOURCE SAMPLING GENERAL REQUIREMENTS
2.1. TESTING DEADLINES FOR CONDUCTING SOURCE SAMPLING
2.1.a. Identifying Regulation(s)
The deadlines for conducting source sampling projects may be established by any or all of the following:
• Air Contaminant Discharge Permit;
• Oregon Title V Operating Permit;
• Chapter 340 of Oregon Administrative Rules;
• Title 40 of Code of Federal Regulations; or
• Enforcement document (e.g., Mutual Agreement Order).
2.1.b. Time Extensions
For sampling projects conducted to meet federal & state requirements, regulatory provisions to extend testing deadlines are limited and take into account the circumstances contributing to the delay. Failure to test a source by the required deadline may violate federal or state rule and may result in enforcement actions.
2.2. DEPARTMENT NOTIFICATION
DEQ must be notified of all source sampling projects that are required by DEQ, including federal requirements that have been delegated to DEQ by the Environmental Protection Agency (EPA). Unless specified by rule or by permit condition, DEQ must receive notification at least 30 days in advance of the source test date. Notification may be submitted electronically or by hardcopy, and accompanied by a source test plan.
In addition, DEQ must be notified of all source sampling projects that are not required by DEQ if test results are relied upon in permitting a source, used as evidence in an enforcement case, or used to demonstrate compliance with non-delegated federal requirements.
2.3. SOURCE TEST PLAN
A source test plan must be approved by DEQ in advance of all source sampling projects that are required by DEQ, including federal requirements delegated to DEQ by EPA. If not otherwise specified by rule or permit condition, DEQ must be provided at least 30 days to review and approve source test plans. For routine testing programs, the permit or rule often specifies 15 days notice. Conversely, particularly complex source testing programs may require 45 days or more for protocol approval. The source test plan may be prepared by the source owner, operator, or consultant representing the owner or operator. The source test plan will be reviewed by the DEQ or by an agent representing DEQ.
A source test plan must include, as a minimum, the information stipulated by Table A-1 in Appendix A. The source test plan should not include a copy of the published sampling method unless specifically requested by the regulating authority. In addition, sample system diagrams should not be included within the source test plan unless the proposed schematic deviates from published methodology.
2.4. MODIFICATIONS/ALTERNATIVES TO METHODS OR PROCEDURES
2.4.a. Testing Projects Required by DEQ
All modifications and/or alternatives to testing methods or procedures that are performed to satisfy DEQ testing requirements must receive approval from DEQ prior to their use in the field. When possible, these requests are to be addressed within the Source Test Plan.
If the need for testing modifications or alterations to the approved Source Test Plan is discovered during field activities, approval must first be obtained from the observing Department representative. If a DEQ representative is not on site during field activities, approval from any DEQ Source Test Coordinator or other DEQ representative may be obtained. Changes not acknowledged by the DEQ could be basis for invalidating an entire test run and potentially the entire testing program. Documentation of any deviations must be incorporated in the source test report and include an evaluation of the impact of the deviation on the test data.
2.4.b. Testing Projects Required by Federal Regulations
For all testing projects performed to satisfy federal testing requirements (e.g. NSPS, NESHAP), approval for modifications and alterations of federal testing requirements must follow the procedures outlined in the Emission Measurement Center Guideline Document GD-022R3. As per this guideline, minor changes to test methods and procedures may be approved by DEQ personnel. All other changes must be approved by EPA.
Minor change to a test method is a modification to a federally enforceable test method that (a) does not decrease the stringency of the emission limitation or standard; (b) has no national significance (e.g., does not affect implementation of the applicable regulation for other affected sources, does not set a national precedent, and individually does not result in a revision to the test method); and (c) is site-specific, made to reflect or accommodate the operational characteristics, physical constraints, or safety concerns of an affected source. Examples of minor changes to a test procedure are:
• Modified sampling traverse or location to avoid interference from an obstruction in the stack,
• Increasing the sampling time or volume,
• Use of additional impingers for a high moisture situation,
• Accepting particulate emission results for a test run that was conducted with a lower than specified temperature,
• Substitution of a material in the sampling train that has been demonstrated to be more inert for the sample matrix, and
• Changes in recovery and analytical techniques such as a change in QA/QC requirements needed to adjust for analysis of a certain sample matrix.
( Per memo from John S. Seitz, Director OAQPS, Delegation of 40 CFR Part 63 General Provisions Authorities to State and Local Air Pollution Control Agencies, Attachment 1, July 10, 1998)
2.5. SAMPLE REPLICATES
Unless otherwise specified by permit, State rule, federal regulation, or Department letter, each source test must consist of at least three (3) test runs and the emission results reported for each run individually and as the arithmetic average of all valid test runs. If for reasons beyond the control of the permittee (e.g., forced shutdown, extreme meteorological conditions, failure of an irreplaceable portion of the sample train) a test run is invalidated and cannot be replaced by a valid test run, DEQ may consider accepting two (2) test runs for demonstrating compliance with the emission limit or standard. However, all test runs, including those deemed invalid, are to be included in the test report.
2.6. SAMPLE POSTPONEMENTS & STOPPAGES
It is acceptable to postpone a scheduled test or suspend a test in progress if the discontinuation is due to equipment failure beyond the facility’s control, construction delays beyond the facility’s control, severe meteorological conditions, and situations that would jeopardize the safety of the testing contractors and/or operators. If the test is underway, the permittee should make every effort to complete the test run. All recoverable test information (process & sample data) must be available for DEQ review.
It is unacceptable to postpone or suspend a test run in progress if it is discontinued because the source is not able to comply with an emission limit, verify an existing emission factor, or comply with a control equipment performance standard. The permittee must provide DEQ written documentation explaining the reasons for the postponement or stoppage, and any data collected prior to the stoppage . DEQ will review the documentation and all available stack test data to determine if a violation occurred.
2.7. TEST DURATION & SAMPLE VOLUMES
2.7.a. General Duration & Volume Requirements
Unless otherwise specified by permit, state rule, federal regulation, or Department letter, each source test must be a minimum of one (1) hour long. For criteria pollutants (PM, PM10, PM2.5, SOx, NOx, CO, & VOCs) measured utilizing wet-chemistry methods, the sample volume must be sufficient to ensure a minimum In-Stack Detection Limit (ISDL) of one-half (1/2) the emission standard. Refer to Section 2.8 of this manual for the definition and calculation of ISDL.
Unless otherwise specified by rule, permit condition, or source test plan approval letter, all air toxics and hazardous air pollutants (HAPs) sampling programs must ensure adequate sample volumes so that the mass recovered is at least five (5) times the limit of detection for the analytical method chosen. Alternatively, the ISDL must be less than or equal to one-fifth (1/5) the emission standard.
For purposes of this section, “emission standard” refers to emission limits (other than Plant Site Emission Limits), emission factor(s), and/or destruction and removal efficiencies.
2.7.b. DEQ Methods Specific Duration & Volume Requirements
For DEQ Methods 5 & 7, the minimum sample volume must be the greater of 31.8 dry standard cubic feet (dscf) or sufficient to ensure a minimum In-Stack Detection Limit (ISDL) of one-half (1/2) the emission standard. In addition, the minimum sample duration must be 60 minutes.
For DEQ Method 8 (high volume sampler), the minimum sample volume must be the greater of 150 dry standard cubic feet (dscf) or sufficient to ensure a minimum In-Stack Detection Limit of one-half (1/2) the emission standard. In addition, the minimum sample duration must be 15 minutes.
2.8. IN-STACK DETECTION LIMIT
2.8.a. General In-Stack Detection Limit (ISDL)
In general practice, the In-Stack Detection Limit (ISDL) is defined as follows:
Where:
ISDL = In-Stack detection limit
A = Analytical detection limit for analyte (e.g., pollutant) in a sample matrix (e.g., solution, filter, resin)
B = Quantity of sample matrix (e.g. milliliters of solution)
C = Volume of stack gas sampled
Example:
For an HCl sample with the following characteristics:
A = 1 ug (HCl) per ml of solution;
B = 300 mls of sample solution; and
C = 1 dscm of exhaust gas (C) drawn through the sample solution.
The ISDL in ug/dscm would be calculated as follows:
ISDL = (A x B)/C
ISDL = (1 ug/ml x 300 ml)/1 dscm
ISDL = 300 ug/dscm
2.8.b. ISDL for Particulate Measurement Methods
When calculating the ISDL for particulate sampling methods, the analytical detection limits (A) are:
• 7 mg for ODEQ Methods 5 & 7 (total particulate),
• 3 mg for EPA Methods 5, 5A, 5B, 5D, 5E, 5F, & 17 (filterable particulate),
• 4 mg for EPA Method 202 (condensable particulate), and
• 100 mg for ODEQ Method 8 (high volume sampler-filterable particulate).
Additionally, when calculating the ISDL for the above particulate sampling methods, the quantity of sample matrix (character "B" in equation) equals "1 sample train".
2.8.c. ISDL for Instrumental Monitoring Reference Methods
The ISDL for continuous emission monitoring (CEM) reference methods (i.e., 3A, 6C, 16C, 7E, 10, 20, & 25A), is equal to the sensitivity of the instrumentation, which is two percent (2%) of the span value (as per the CEMS Methods).
2.8.d. ISDL Expressed on a Mass Rate or Process Rate Basis
If the emission standard is expressed on a mass rate basis, a representative flow and/or process rate is to be applied in conjunction with the ISDL (on a concentration basis) to obtain a value expressed in comparable units.
2.9. REPRESENTATIVE TESTING CONDITIONS
For demonstrating compliance with an emission standard, the stack test must successfully demonstrate that a facility is capable of complying with the applicable standard under all normal operating conditions. Therefore, an owner or operator should conduct the source test while operating under typical worst-case conditions that generate the highest emissions. During the compliance demonstration, new or modified equipment should operate at levels that equal or exceed ninety-percent (90%) of the design capacity. For existing equipment, emission units should operate at levels that equal or exceed ninety-percent (90%) of normal maximum operating rates. Furthermore, the process material(s) and fuel(s) that generate the highest emissions for the pollutant(s) being tested should be used during the testing. Operating requirements for performance tests are often specified by State or federal rule, or by permit condition.
When verifying or determining an emission factor, the stack test must generate an emission factor that represents normal emissions for the operating condition tested. Multiple testing projects may be required for sources that experience variations in process, have frequent start-ups and shut-downs, use multiple fuel combinations, utilize numerous process materials, or manufacture diverse products.
Whether sampling to demonstrate compliance, to establish an emission factor, or to support an air toxics risk assessment, it is imperative to describe in detail the proposed process conditions within the Source Test Plan. Refer to Section 2.3 and Appendix A of this manual for Source Test Plan requirements.
2.10. SIGNIFICANT FIGURES & ROUNDING PROCEDURES
2.10.a. Significant Figures
All federal emission standards have at least two (2) significant figures but no more than three (3) (Memorandum from William G. Lawton and John S. Seitz to New Source Performance Standards/National Emission Standards for Hazardous Pollutants Compliance Contacts, subject “Performance Test Calculation Guidelines”, June 6, 1990). For example, 0.04 gr/dscf is considered to be 0.040 gr/dscf and 90 mg/dscm is considered to be 90. mg/dscm.
Generally, DEQ emission standards have at least two (2) significant figures. However, the number of significant figures for DEQ standards are defined by the standards themselves. For example, 40 lbs/hr is considered to be 40. lbs/hr and 0.1 gr/dscf does not include additional significant figures.
It is imperative to maintain an appropriate number of significant figures within the intermediate calculations to minimize the discrepancy of results due to rounding inconsistencies. In general, at least five (5) significant figures should be retained throughout the intermediate calculations.
2.10.b. Rounding Procedures
The procedure for rounding of a figure or a result may mean the difference between demonstrating compliance or demonstrating a violation. Based on the routine specified by the American Society for Testing and Materials (ASTM, Standard for Metric Practice E 380) the following procedure must be used:
If the first digit to be discarded is less than five (5), the last digit retained should not be changed. When the first digit discarded is greater than five (5), or if it is a five (5) followed by at least one digit other than zero (0), the last figure retained should be increased by one unit. When the first digit discarded is exactly five, followed only by zeros (0s), the last digit retained should be rounded upward if it is an odd number, but no adjustment made if it is an even number.
For example, if the emission standard is 0.040 gr/dscf, then 0.040341 would be rounded to 0.040, 0.040615 would be rounded to 0.041, 0.040500 would be rounded to 0.040, and 0.041500 would be rounded to 0.042 (note that five significant figures were retained prior to rounding).
2.11. REPORTING & RECORDKEEPING
2.11.a. Report Content & Format
At a minimum, the content of the source sampling report must be consistent with the requirements outlined in Table A-2 in Appendix A. DEQ recognizes that the presentation and format of the reports will vary between sampling projects and testing contractors. However, the report must comprehensively include all essential information and maintain sufficient detail to satisfactorily communicate the test objectives and results.
To conserve storage space and natural resources, all test reports should be published utilizing both-sides of each page. In addition, each page of the report body and of the appendices is to be numbered for ease of reference. Refer to Section 2.11.b. for information on the Source Test Audit Report.
2.11.b. Source Test Audit Report (STAR)
A Source Testing Audit Report (STAR) is required for all testing required by DEQ. Like test reports, the submittal of the STAR is the responsibility of the owner or operator. DEQ may not accept test reports that do not include the STAR or if the submitted STAR is incomplete or inaccurate. Refer to the document, “Guidelines for Completing Source Testing Audit Report” for more details regarding the STAR. Contact a DEQ Source Test Coordinator to receive instructions on how to obtain the most current STAR forms.
2.11.c. Reporting Results that are below the In-Stack Detection Limits
Emission tests occasionally yield results that are below the in-stack detection limit (ISDL) for a given pollutant. These data frequently provide important information, depending on the purpose of the test and if the tester extracted an adequate sample volume (see Section 2.7). Therefore, unless otherwise stated by method, rule, or permit, the following reporting procedures are to be followed when results from replicate tests are below the in-stack detection limit.
• Each test replicate that is below the ISDL should be reported as less than (<) the detection limit value (e.g., <0.14). If the test replicate is included in a multi-run test series, the ISDL value is used when calculating the numerical average.
• Label the average result as less than (<) if the numerical average of a test series includes at least one test replicate below the ISDL.
Several groups of air toxics are generally reported as the sum of the individual compounds (or elements) within that group. For example, the individual dioxin/furan compounds (or ‘congeners’) specified in the test method are summed using toxicity factors and reported as a single value (i.e., 2,3,7,8-TCDD Equivalents). The corresponding emission limits and/or emission factors are also expressed as 2,3,7,8-TCDD Equivalents. If any of the individual congeners are reported as ‘below the detection limit’ for a given test result, the contribution of that congener to the 2,3,7,8-TCDD Equivalent value shall be calculated as 0.5 x the detection limit. The 2,3,7,8-TCDD Equivalent value is a ‘composite result’ of the individual dioxin/furan compounds in a given sample. Although, this TCDD Equivalent value may contain non-detectable quantities, the value is reported as a quantity (i.e., not a ‘< DL’ value).
Other groups of compounds that present similar reporting complexities are polycyclic aromatic hydrocarbons (PAHs), polychlorinated biphenyls (PCBs), Total Organic Hazardous Air Pollutants (OHAPs), and Total Selected Metals (TSM). A specific regulation. method, or permit condition may dictate other calculation procedures to be followed in combining non-detectable with measured quantities within a composite result; these shall take precedent over the above-described approach.
2.11.d. Report Submittal
Unless otherwise specified by rule or permit, one (1) bound copy of the source test report must be submitted to the regional Source Test Coordinator within 30 days following the field work. Requests for extensions will be evaluated by DEQ on a case- by-case basis. An electronic version of the report can also be submitted in addition to the bound copy.
2.11.e. Recordkeeping
All documentation of sampling equipment calibrations and analytical results should be maintained for a minimum of five years.
In general, the unanalyzed portions (aliquots) of the source test samples must be preserved up to the maximum holding times as specified by method. Sample filters gravimetrically analyzed for particulate matter are to be archived for a minimum of 6 months. However, sample archiving specifications pertaining to laboratory glassware is left to the discretion of the analyzing laboratory and the testing contractor.
3.0 SAMPLING METHODS
3.1. ESTABLISHED SAMPLING METHODS
Established sampling methods for various pollutants are listed within Appendix B of this manual. These methods have historically been accepted by DEQ and originate from various governmental agencies and organizations. This list is not all-inclusive and may not reflect current method updates. The use of a listed method is not automatically approved by DEQ. Instead, written DEQ approval is required prior to all testing projects that are executed to satisfy state or federal testing requirements. Refer to Sections 2.2 & 2.3 of this manual for notification and source test plan requirements.
Generally, DEQ sampling methods (ODEQ Methods) or EPA methods (promulgated, alternative, & conditional) are preferable for conducting a testing program. In some cases, utilizing methods published by other public agencies and organizations are often valid and more desirable, but must be evaluated cautiously to ensure that the test requirements established by rule or permit are satisfied.
3.2. DEQ SOURCE SAMPLING METHODS
DEQ test methods are presented in Appendix C of this manual. These methods do not encompass all the provisions and procedures critical to their successful use. Persons performing these methods must have a comprehensive understanding of the physical sciences, have ample experience utilizing the testing equipment, and have a thorough knowledge of the sources to which they are applied.
DEQ test methods should only be applied to sampling situations that are consistent with their applicability. A careful and thorough evaluation of the applicability of each method to a specific testing condition is strongly recommended. Modifications or alterations to DEQ test methods must receive approval from DEQ prior to their utilization within the testing program. Refer to Section 2.4 of this manual for requirements pertaining to modifications to methods or procedures.
There are multiple references to EPA test methods within the Oregon Source Sampling Manual and test methods. The EPA methods are incorporated into this manual by reference as of the date they were published in the CFR, as shown below. Sampling provisions and procedures published within the most up-to-date revisions to the CFR may be incorporated into the testing program if approved by the administrator.
EPA Methods incorporated by reference:
Methods 1 through 30B: 40 CFR, Part 60, Appendix A, July 2012
Methods 201 through 207: 40 CFR Part 52, Appendix M, July 2012
Methods 301 through 323: 40 CFR Part 63, Appendix A, July 2012
EPA Publication SW-846, Third Edition
3.3. Quality Assurance Requirements
Quality assurance , including minimum calibration requirements are typically specified within each test method. DEQ test methods often refer to EPA test methods for quality assurance procedures The calibration requirements for Oregon DEQ Methods 4, 5, 7, & 8 are summarized within Appendix D. Where inconsistencies exist, quality assurance requirements specified by method or by regulation supersede those presented within Appendix D.
APPENDIX A
SOURCE TEST PLAN
&
TEST REPORT
REQUIREMENTS
MINIMUM SOURCE TEST PLAN REQUIREMENTS
DEQ does not require that source test plans adhere to a specific format, but the information listed in Table A-1 must be included (as applicable). In addition, the following statements must be included in the test plan:
• Sampling replicate(s) will not be accepted if separated by a time duration of twenty-four (24) hours or more, unless prior authorization is granted by DEQ.
• All compliance source tests must be performed while the emission unit(s) are operating at normal maximum operating rates. Unless defined by permit condition or applicable rule, normal maximum operating rate is defined as the 90th percentile of the average hourly operating rates during a 12 month period immediately preceding the source test. Rates not in agreement with those stipulated in the Air Contaminant Discharge Permit can result in rejection of the test data. Imposed process limitations could also result from operating at atypical rates during the compliance demonstration.
• The DEQ must be notified of any changes in the source test plan and/or the specified methods prior to testing. Significant changes not acknowledged by the DEQ could be the basis for invalidating a test run and potentially the entire testing program. Documentation of any deviations must include an evaluation of the impact of the deviation on the test data.
• Method-specific quality assurance/quality control (QA/QC) procedures must be performed to ensure that the data is valid for determining source compliance. Documentation of the procedures and results shall be presented in the source test report for review. Omission of this critical information will result in rejection of the data, requiring a retest.
• Only regular operating staff may adjust the combustion system or production process and emission control parameters during the source performance tests and within two (2) hours prior to the tests. Any operating adjustments made during the source performance tests, which are a result of consultation during the tests with source testing personnel, equipment vendors or consultants, may render the source performance test invalid.
• Source test reports must be submitted to DEQ within thirty (30) days of the test dates, unless another deadline has been stipulated, either by permit condition, or by DEQ written approval.
Table A-1
SOURCE TEST PLAN REQUIREMENTS
Item # | Description | Explanatory Notes |
1 | Facility Identification | - Facility Name; - Facility Address; - Permit Number (and source number if under General Permit); - Emission Unit(s) included within proposed testing project |
2 | Facility Personnel | Name, address, phone number(s) and e-mail for: - Project Manager - On-site Contact (if different than Project Manager) |
3 | Testing Contractor Personnel | Name, physical address, phone number(s) and e-mail for: - Project Manager - Site Personnel (Team Leader, Technicians) - Laboratory Support |
4 | Project Purpose | Specify purpose of project (compliance, emission factor verification, applicability study, etc.) - Specify permit condition or rule initiating project - Specify applicable compliance limits and emission factors |
5 | Schedule | Specify testing dates for each unit tested - Specify starting times (approximate) for each test day |
6 | Source Description | Description of the emission unit(s), including the following: - Narrative of the emission source (system type, manufacturer, date installed, capacity, configuration, fuel type, etc.) - Narrative of the pollution control device (system type, manufacturer, date installed, configuration, etc.) - Narrative of the sample locations (where in system, distances to disturbances, duct configuration, etc.)
|
7 | Pollutant(s) Measured | Specify the following for each pollutant measured: - Pollutant (CO, PM, Formaldehyde, etc.) - Reporting unit for each pollutant (ppmdv, lbs/hr, lbs/ton, etc.)
|
8 | Test Methods | Include the following for each test method proposed: - Method reference number ( e.g., EPA 1, ODEQ 7); - Copy of method (only if requested by DEQ); - Quantifiable or detectable limits for each pollutant
|
9 | Sampling Replicates | - Specify the number of sample replicates for each method on each emission unit; - Specify the duration of each sample replicate for each method. |
10 | Production and Process Information | List the parameters to be recorded - Specify the frequency of measurements and recordings - Specify how each parameter is measured (manual, instrument, etc.) |
11 | Pollution Control Device Information | List the parameters to be recorded - Specify the frequency of measurements and recordings - Specify how each parameter is measured (manual, instrument, etc.) |
12 | Fuel Sampling and Analysis | Specify how sample(s) will be collected (include references to established procedures such as ASTM, if applicable) - Specify frequency of collection - Specify the type of analysis, the analytical procedure, and the analytical laboratory
|
13 | Other Test Method Considerations | Include in the test plan a brief discussion of: - Applicability of proposed test methods - Any and all proposed method modifications/deviations, including modifications/deviations to QA/QC activities - Any foreseeable problems with sample recovery - Any known errors in the proposed method(s) - Simultaneous testing (multiple parameters or methods) - Multiple exhaust points of the source (if applicable) - Possible method interferences - Cyclonic flow measurements (if applicable) - Stratification measurements |
14 | Other Process Considerations | Include in the test plan a brief discussion of: - Target process rate(s) and how it compares to day-to-day operations and the unit’s rated capacity - Product (e.g., type, size, specie, etc.) - Potential process variability (i.e., continuous, cyclical, etc.) - Whether the proposed test conditions represent worst-case conditions with respect to emissions |
MINIMUM SOURCE TEST REPORT REQUIREMENTS
The DEQ does not require that test reports adhere to a specific format, but the information listed in Table A-2 (below) needs to be included (as applicable). Reports shall be organized in a clear and logical fashion to promote correctness and accuracy.
Table A-2
SOURCE TEST REPORT REQUIREMENTS
Item# | Description | Explanatory Notes |
1 | Facility Identification | - Facility Name - Facility Address - Permit Number (and source number if under General Permit) - Emission Unit(s) included within the testing project |
2 | Facility Personnel | Name, address, phone number(s) and e-mail for: - Project Manager - On-site Contact (if different than Project Manager) |
3 | Testing Contractor Personnel | Name, physical address, phone number(s) and e-mail for: - Project Manager - Site Personnel (Team Leader, Technicians) - Laboratory Support |
4 | Project Purpose | Specify purpose of project (compliance, emission factor verification, applicability study, etc.) - Specify permit condition or rule initiating project - Specify applicable compliance limits and emission factors |
5 | Schedule | Specify testing dates for each unit tested - Specify starting and ending times for each test run |
6 | Source Description | Description of the emission unit(s), including the following: - Narrative of the emission source (system type, manufacturer, date installed, capacity, configuration, fuel type, etc.) - Stack height above the ground - Orientation of the exhaust (vertical, horizontal, etc.) - Narrative of the pollution control device (system type, manufacturer, date installed, configuration, etc.) - Narrative of the sample locations (where in system, distances to disturbances, duct configuration, etc.) |
7 | Process & Pollution Control Operating Rates & Settings | Operating rates and parameters, including the following: - Process rates for each run on each emission unit - Process characteristics for each test run (temperature, process time, size, species, pressures, settings, fuel characteristics, etc.) - Pollution control device parameters for each test run (temperature, pressure drop, water injection rate, voltage, settings, etc.) - Description of process changes and interruptions that occurred during testing. |
8 | Pollutant(s) Measured | Discuss the following for each pollutant measured: - Specie (CO, PM, Formaldehyde, Opacity, etc.) - Reporting unit for each specie (ppmdv, lbs/hr, lbs/ton, etc.) |
9 | Test Methods | Include the following for each test method: - Method reference number ( e.g., EPA 1, ODEQ 7) - Discuss deviations from published methods and their impact on test results |
10 | Summary of Results | One summary table for each emission unit (when possible) - List individual run results and average (when possible) - Include applicable emission standard, factor, or compliance limit |
11 | Supporting Sampling Information | Spreadsheets & electronic data records - Field data sheets, notes, and forms - Equipment calibration documentation (field & laboratory equipment) - Example calculations - Sampling equipment description - Pre-test procedure documentation (stratification, cyclonic, etc.) |
12 | Laboratory Analysis | Electronic data records - Data sheets, notes, and forms - Analytical detection limit for each constituent - Applicable analytical QA/QC information - Chain of custody |
13 | Supporting Process & Pollution Control Information | Electronic generated output (if applicable) - Log sheets and forms - Operating capacity - 90% Percentile 12 Month Operating Analysis (existing sources) |
14 | Source Test Audit Report | - Complete for each test method and emission unit - Complete certification form |
15 | Test Correspondence | - Test plan - Test plan approval correspondence - Approval for method deviations - Applicable permit excerpts that pertain to testing requirements, emission limits, and emission factors |
APPENDIX B
LISTING OF
SOURCE SAMPLING
METHODS
ALPHABETICALLY BY
POLLUTANT OR STACK
PARAMETER
ESTABLISHED SAMPLING METHODS
POLLUTANT OR STACK PARAMETER | TEST METHOD | COMMENTS |
Ammonia | EPA CTM-027, BAAQMD ST-1B, EPA 320, | Method depends on isokinetic requirements |
Carbon Dioxide (CO2) | EPA 3, EPA 3A, EPA 3B | |
Carbon Monoxide | EPA 10 | |
Chloride (Total) | EPA 26A, EPA 26 SW846-0050 | |
Dioxins & Furans | EPA 23, SW846-23a | |
Formaldehyde | NCASI 98.01,NCASI 99.02, NCASI A105.1, EPA 316, EPA 320, EPA 323 | Method depends on source type, isokinetic and ISDL requirements. |
Gaseous Organics | EPA 18 | Not applicable for high molecular weight compounds or for compounds with very low vapor pressure at stack or instrument conditions. |
Hydrogen Chloride, Hydrogen Halide and Halogens | EPA 26, EPA 26A, SW846-0050, EPA 321 | Use EPA 26A when isokinetic sampling is required. EPA 321 utilizes FTIR and is specific to Portland Cement Kilns |
Methanol | EPA 308, NCASI 98.01, NCASI 99.02 NCASI A105.1 | Methods may also be applicable to phenol with approval |
Moisture Content | EPA 4, ODEQ 4 | |
Molecular Weight | EPA 3, EPA 3A, EPA 3B | |
Metals | EPA 29, SW846-0060 | Includes: Antimony, Arsenic, Barium, Beryllium, Cadmium, Total Chromium, Cobalt, Copper, Lead, Manganese, Mercury, Nickel, Phosphorus, Selenium, Silver, Thallium, Zinc. |
Nitrogen Oxides | EPA 7E, EPA 20 | |
Nonmethane Organic Compounds (NMOC) | EPA 25, EPA 25C, BAAQMD ST-7, SCAQMD 25.3, EPA CTM-042 | EPA 25 subject to interference by H2O and CO2. ST-7 applicable for compounds that respond well to FID. 25.3 for low concentration sources. EPA 25C for LFG. CTM-042 for bakeries. |
Opacity | EPA 9, EPA ALT Method 082 | ALT 082 when pre-approved by DEQ |
Oxygen | EPA 3, EPA 3A, EPA 3B | |
Particulate Matter- Filterable | EPA 5, EPA 5A, EPA 5B, EPA 5D, EPA 5E, EPA 5F, EPA 5i, EPA 17, Modified DEQ 5, DEQ 8 | ODEQ 8 acceptable under limited conditions EPA 5i for low level particulate |
Particulate Matter - Total | ODEQ 5, ODEQ 7, EPA 5/202 | |
Particulate Matter - <10um | EPA 201A/202 | |
Particulate Matter-<2.5um | EPA 201A/202 | |
Phenol | NCASI 98.01, NCASI 99.02, EPA 18, NCASI A105.1 | |
Sulfur Dioxide | EPA 6, EPA 6C, EPA 8 | EPA 8 also measures sulfuric acid mist |
Total Enclosure | EPA 204 | Use for determining capture efficiency. |
Total Hydrocarbons | EPA 25A, EPA 18 | Applicable to alkanes, alkenes, and aromatic hydrocarbons. EPA 25A has a fractional response to many other organic compounds. |
Total Reduced Sulfur | EPA 16, EPA 16A, EPA 16C | |
Velocity and Volumetric Flow Rate | EPA 2, EPA 2A, EPA 2C, EPA 2E, EPA 2F, EPA 2G, EPA 2H | EPA 2 if duct >12” in diameter EPA 2A if duct < 12” in diameter |
Volatile Organic Compounds by FTIR | EPA 320 | Analyzes for specific defined VOCs |
Volatile Organic Compounds- Uncharacterized | EPA 25, EPA 25A, EPA 25B | Total VOC’s reported on an equivalent basis (i.e. “as propane”) |
Volatile Organic Compounds by GC | EPA 18, EPA CTM-028 | Analyzes for specific defined VOCs. EPA 18 not applicable for high molecular weight compounds or for compounds with very low vapor pressure at stack or instrument conditions. CTM-028 direct interface. |
APPENDIX C
OREGON DEQ
SOURCE SAMPLING
METHODS
C-4: Oregon Method 4 (moisture)
C-5: Oregon Method 5 (PM)
C-7: Oregon Method 7 (PM)
C-8: Oregon Method 8 (PM, High Volume)
SUB-APPENDIX C-4
OREGON DEQ
SOURCE SAMPLING
METHOD 4
Oregon Method 4
State of Oregon
Department of Environmental Quality
Source Sampling Method 4
Determination of Moisture Content of Stack Gases
(Alternate Method)
1. Principle. Under certain conditions, the quantity of water vapor in the gas stream can be determined by measuring the wet-bulb and dry-bulb temperatures of the gaseous fluid.
2. Applicability. This method is applicable for the determination of the moisture content of the sample stream when EPA Method 4 is not suitable or when rigid moisture content measurements are not essential to the success of the testing program.
3. Procedure.
3.1 Measure the dry bulb temperature in the conventional way using either a thermometer or thermocouple.
3.2 Wrap the end of the temperature-measuring device in a cloth sock soaked with water. Insert the sock and temperature-measuring device into the flowing gas stream and allow the temperature to reach a steady state value. Caution: after the water on the sock has evaporated, the temperature will rise to the dry bulb temperature. (Refer to Figure 4-1). The wet bulb temperature must be taken while the sock is saturated with moisture.
3.3 Apply the wet bulb readings to Table 4-1 to determine the water vapor pressure in the gas stream. Then use the dry bulb reading and equation 4.4-1 to determine the approximate water vapor content. In lieu of using Table 4-1, equation 4.4-2 may be utilized to determine the vapor pressure at saturation if the wet bulb temperature is less than 175oF.
3.4 Alternately, if the barometric pressure is 29.92 + 0.5 inches of mercury (in. Hg) apply the wet bulb and dry bulb readings to a standard psychrometric chart and determine the approximate water vapor content.
4. Interferences and Calculations
4.1 Wet-bulb temperature readings may be affected by other gas stream components that ionize when dissolved in water (e.g., salts, acids, bases ) or hydrocarbon compounds, particularly water-soluble solvents. The effect of these components on the wet-bulb temperature is usually negligible. However, should any of the above compounds exist at levels that cause inaccurate wet-bulb readings, the tester must utilize an alternative approach to determine moisture.
4.2 The wet depression temperature is dependent on the total pressure (i.e., barometric pressure + static pressure) in the gas stream. Moisture concentrations that are obtained from a psychometric chart are reliable only if the gas stream is at, or near, 1 atmosphere pressure (i.e., 29.92 in. Hg + 0.5 in. Hg). For other pressure conditions, the tester must use Equation 4.4-1 to calculate the gas stream moisture content.
4.3 Additionally, the following conditions can lead to difficulties:
4.3.a. Very high dry bulb temperature (in excess of 500º F).
4.3.b. Very high or very low gas velocities.
4.3.c. High concentrations of particulate matter which may
adhere to the wet sock.

Elapsed Time
Figure 4-1
4.4 Moisture Equation:
(Eq. 4.4-1)
where:
e" = Vapor pressure of H2O at tw, in. Hg (See Table 4-1)
Ps = Exhaust gas pressure (absolute), in. Hg
td = Dry bulb temperature, ºF
tw = Wet bulb temperature, ºF
TABLE 4-1: VAPOR PRESSURE OF WATER AT SATURATION* (Inches of Mercury)
Wet Bulb Temperature (°F) | 0 | 1 | 2 | 3 | 4 | 5 | 6 | 7 | 8 | 9 |
-20 | 0.0126 | 0.0119 | 0.0112 | 0.0106 | 0.0100 | 0.0095 | 0.0089 | 0.0084 | 0.0080 | 0.0075 |
-10 | 0.0222 | 0.0209 | 0.0190 | 0.0187 | 0.0176 | 0.0168 | 0.0158 | 0.0150 | 0.0142 | 0.0134 |
-0 | 0.0376 | 0.0359 | 0.0339 | 0.0324 | 0.0306 | 0.0289 | 0.0275 | 0.0259 | 0.0247 | 0.0233 |
0 | 0.0376 | 0.0398 | 0.0417 | 0.0441 | 0.0463 | 0.0489 | 0.0517 | 0.0541 | 0.0571 | 0.0598 |
10 | 0.0631 | 0.0660 | 0.0696 | 0.0728 | 0.0768 | 0.0810 | 0.0846 | 0.0892 | 0.0932 | 0.0982 |
20 | 0.1025 | 0.1080 | 0.1127 | 0.1186 | 0.1248 | 0.1302 | 0.1370 | 0.1429 | 0.1502 | 0.1567 |
30 | 0.1647 | 0.1716 | 0.1803 | 0.1878 | 0.1955 | 0.2035 | 0.2118 | 0.2203 | 0.2292 | 0.2383 |
40 | 0.2478 | 0.2576 | 0.2677 | 0.2782 | 0.2891 | 0.300 | 0.3120 | 0.3240 | 0.3364 | 0.3493 |
50 | 0.3626 | 0.3764 | 0.3906 | 0.4052 | 0.4203 | 0.4359 | 0.4520 | 0.4586 | 0.4858 | 0.5035 |
60 | 0.5218 | 0.5407 | 0.5601 | 0.5802 | 0.6009 | 0.6222 | 0.6442 | 0.6669 | 0.6903 | 0.7144 |
70 | 0.7392 | 0.7648 | 0.7912 | 0.8183 | 0.8462 | 0.8750 | 0.9046 | 0.9352 | 0.9666 | 0.9989 |
80 | 1.032 | 1.066 | 1.102 | 1.138 | 1.175 | 1.213 | 1.253 | 1.293 | 1.335 | 1.378 |
90 | 1.422 | 1.467 | 1.513 | 1.561 | 1.610 | 1.660 | 1.712 | 1.765 | 1.819 | 1.875 |
100 | 1.932 | 1.992 | 2.052 | 2.114 | 2.178 | 2.243 | 2.310 | 2.379 | 2.449 | 2.521 |
110 | 2.596 | 2.672 | 2.749 | 2.829 | 2.911 | 2.995 | 3.081 | 3.169 | 3.259 | 3.351 |
120 | 3.446 | 3.543 | 3.642 | 3.744 | 3.848 | 3.954 | 4.063 | 4.174 | 4.89 | 4.406 |
130 | 4.525 | 4.647 | 4.772 | 4.900 | 5.031 | 5.165 | 5.302 | 5.442 | 5.585 | 5.732 |
140 | 5.881 | 6.034 | 6.190 | 6.350 | 6.513 | 6.680 | 6.850 | 7.024 | 7.202 | 7.384 |
150 | 7.569 | 7.759 | 7.952 | 8.150 | 8.351 | 8.557 | 8.767 | 8.981 | 9.200 | 9.424 |
160 | 9.652 | 9.885 | 10.12 | 10.36 | 10.61 | 10.86 | 11.12 | 11.38 | 11.65 | 11.92 |
170 | 12.20 | 12.48 | 12.77 | 13.07 | 13.37 | 13.67 | 13.98 | 14.30 | 14.62 | 14.96 |
180 | 15.29 | 15.63 | 15.98 | 16.34 | 16.70 | 17.07 | 17.44 | 17.82 | 18.21 | 18.61 |
190 | 19.01 | 19.42 | 19.84 | 20.27 | 20.70 | 21.14 | 21.59 | 22.05 | 22.52 | 22.99 |
200 | 23.47 | 23.96 | 24.46 | 24.97 | 25.48 | 26.00 | 26.53 | 27.07 | 27.62 | 28.18 |
210 | 28.75 | 29.33 | 29.92 | 30.52 | 31.13 | 31.75 | 32.38 | 33.02 | 33.67 | 34.33 |
220 | 35.00 | 35.68 | 36.37 | 37.07 | 37.78 | 38.50 | 39.24 | 39.99 | 40.75 | 41.52 |
230 | 42.31 | 43.11 | 43.92 | 44.74 | 45.57 | 46.41 | 47.27 | 48.18 | 49.03 | 49.93 |
240 | 50.84 | 51.76 | 52.70 | 53.65 | 54.62 | 55.60 | 56.60 | 57.61 | 58.63 | 59.67 |
*Methods for Determination of Velocity, Volume, Dust, and Mist Content of Gases, Bulletin WP-50, Western Precipitation Corp., Los Angeles, CA
The following equation can be substituted for the above table for determining vapor pressures (e") from measured wet bulb (tw) temperatures:
(Eq. 4.4-2)
SUB-APPENDIX C-5
OREGON DEQ
SOURCE SAMPLING
METHOD 5
Oregon Method 5
State of Oregon
Department of Environmental Quality
Source Sampling Method 5
Sampling Particulate Emissions from Stationary Sources
1.0 Principle and Applicability
1.1 Principle. Particulate matter including condensable aerosols are withdrawn isokinetically from a flowing gas stream. Filterable particulate matter is determined gravimetrically after removal of combined water. Condensable particulate matter is determined gravimetrically after extraction with an organic solvent and evaporation.
1.2 Applicability. This method is applicable to the determination of particulate emissions from stationary sources except those sources for which specified sampling methods have been devised and are on file with DEQ.
2.0 Acceptability. Results of this method will be accepted as demonstration of compliance (or non-compliance) provided that the methods included or referenced in this procedure are strictly adhered to and a report is prepared according to Section 2.11 of DEQ’s Source Sampling Manual, Volume I. Deviations from the procedures described herein will be permitted only if authorization from DEQ is obtained in writing in advance of the tests. EPA Method 5 combined with EPA Method 202 may be substituted for this method.
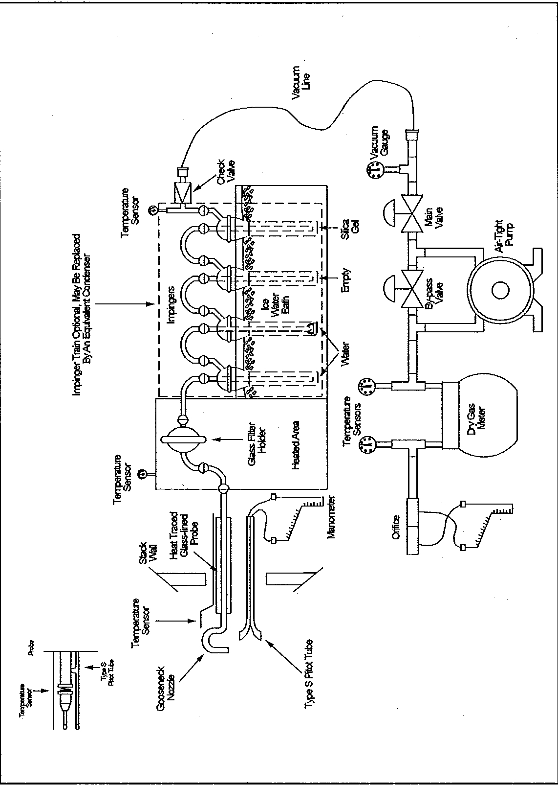
3.0 Equipment and Supplies
3.1 Sampling Train (figure 5-1): Same as EPA Method 5 Section 6.1. with the following exception: Use of a glass frit filter support is prohibited. The support must be fabricated such that it can be quantitatively rinsed with acetone during sample recovery (refer to Section 5.7.1)
3.2 Barometer: Same as EPA Method 5 Section 6.1.2.
3.3 Gas Density Determination Equipment: Same as EPA Method 5 Section 6.1.3.
3.4 Sample Recovery: Same as EPA Method 5 Section 6.2.
3.5 Sample Analysis: Same as EPA Method 5 Section 6.3 with the following addition:
3.5.1 Glass separatory funnel (500-1000 ml) with Teflon1 stopcock and plug.
4.0 Reagents and Standards
4.1 Sample Collection: Same as EPA Method 5 Section 7.1 with the following condition:
4.1.1 Distilled water with a residue content of < 0.001% (0.0l mg/ml) must be used in the impingers. The distilled water reagent blank weight correction will not exceed 0.001%, or 0.01 mg/ml.
4.1.2 Stopcock grease (Section 7.1.5 of EPA Method 5) can bias test results and its use should be avoided whenever possible.
4.2 Sample Recovery: Same as EPA Method 5 Section 7.2.
4.3 Analysis: Same as EPA Method 5 Section 7.3 with following addition:
4.3.1 Methylene Chloride reagent grade, with a residue content of <0.001% (0.013 mg/ml). The methylene chloride reagent blank weight correction will not exceed 0.001%, or 0.013 mg/ml. Hexane may be substituted for methylene chloride. The same purity is required.
4.3.2 Distilled water with a residue content of < 0.001% (0.0l mg/ml). The distilled water reagent blank weight correction will not exceed 0.001%, or 0.01 mg/ml.
5.0 Sample Collection, Preservation, Storage, and Transport
5.1 Pretest Preparation: Same as EPA Method 5 Section 8.1.
5.2 Preliminary Determinations: Same as EPA Method 5 Section 8.2.
5.3 Preparation of Sampling Train: Same as EPA Method 5 Section 8.3.
5.4 Leak-Check Procedures: Same as EPA Method 5 Section 8.4.
5.5 Sampling Train Operation: Same as EPA Method 5 Section 8.5.
5.6 Calculation of % Isokinetics: Same as EPA Method 5 Section 8.6.
5.7 Sample Recovery: Same as EPA Method 5 Section 8.7 (with the following additions:
5.7.1 In addition to the nozzle, probe, and filter-holder rinses, the filter frit support is to be rinsed with acetone and stored in Container No. 2.
5.7.2 Container No. 4. The contents of impingers 1 through 3 along with a distilled water rinse of impingers and all interconnects between the heated filter holder to the silica gel impinger must be transferred to Container No. 4. To adequately recover the sample from the impingers and interconnects, each component is to be rinsed in triplicate and the total rinse volume should equal or exceed 75 mls of reagent (distilled water).
5.7.3 Container 5. Rinse all sample exposed surfaces between the filter frit support and the inlet to the silica gel impinger with acetone and store in container No. 5. To adequately recover the sample from this portion of the sampling train, each component is to be rinsed in triplicate and the total rinse volume should equal or exceed 100 mls of reagent (acetone).
5.8 Sample Transport: Same as EPA Method 5 Section 8.8.
6.0 Quality Control
6.1 Miscellaneous Quality Control Procedures: Same as EPA Method 5 Section 9.1 with the following additions:
6.1.1 Analytical balance calibration and auditing procedures as per Section 7.8 of this method.
6.2 Volume Metering System Checks: Same as EPA Method 5 Section 9.2.
7.0 Calibration and Standardization
7.1 Documentation: The calibration data and/or calibration curves shall be included in the source test report.
7.2 Nozzles: Same as EPA Method 5 Section 10.1.
7.3 Pitot Tube: Same as EPA Method 5 Section 10.2 with the following addition:
7.3.1 If calibrated against a standard pitot, Type S pitot tubes shall be recalibrated at least once every six months.
7.3.2 If default Cp value used based on measured pitot features, measurements must be conducted pre and post test.
7.4 Metering System: Same as EPA Method 5 Section 10.3.
7.5 Probe Heater Calibration: Same as EPA Method 5 Section 10.4.
7.6 Temperature Sensors: Same as EPA Method 5 Section 10.5 with the following additions:
7.6.1 Thermometers that measure the filter-oven, impinger exit, and dry-gas meter temperatures are to be calibrated at 32o F and 212oF against an ASTM mercury thermometer or NIST traceable thermometer. At a minimum, the filter-oven, impinger exit, and dry-gas meter thermometers are to be calibrated before initial use and at least once every six months thereafter.
7.6.2 Alternatively, in-stack temperature thermometers are to be calibrated at 32o F and 212oF against an ASTM mercury thermometer or NIST traceable thermometer. At a minimum, the in-stack temperature thermometers are to be calibrated before initial use and at least once every six months thereafter.
7.7 Barometer: Same as EPA Method 5 Section 10.6.
7.8 Analytical Balance: The following calibration and standardization procedures must be performed on the analytical balance:
7.8.1 The balance must be audited utilizing 0.500 g, 1.0000 g, 10.0000 g, 50.0000 g, and 100.0000 g Class-S standard weights. Alternatively, five (5) Class-S standard weights may be substituted that accurately represent the anticipated measurement range. The balance results must agree within +1 mg of the Class-S weights. At a minimum, the balance calibration must be performed subsequent to disturbing the analytical balance and annually thereafter.
7.8.2 Prior to weighing filters before and after sampling, adjust the analytical balance to zero and check the accuracy with a 0.5 g Class-S weight. A Class-S standard weight within 1 g of the filter weight may be used as an alternate. The balance results must agree within +0.5 mg and the relative humidity in the weighing environment must be <50%.
7.8.3 Prior to weighing beakers before and after sampling, adjust the analytical balance to zero and check the accuracy with a 100 g Class-S standard weight. A Class-S standard weight within 1 g of the beaker weight may be used as an alternate. The balance results must agree within +0.5 mg and the relative humidity in the weighing environment must be <50%.
8.0 Analytical Procedures
8.1 Documentation: Analytical documentation shall be consistent with the data entry forms presented in Figures 5-2a through 5-2c.
8.2 Analysis: Same as EPA Method 5 Section 11.2 with following additions:
8.2.1 Container No. 1: The sample (filter) must be desiccated and weighed to a constant final weight, even if it is oven dried.
8.2.2 Container No. 4: Transfer the contents of Container No. 4 to a separator funnel (Teflon1 stoppered). Rinse the container with distilled water and add to the separatory funnel. Add 50 ml of methylene chloride or hexane. Stopper the separatory funnel and vigorously shake for 1 minute. Take care to momentarily release the funnel pressure several times during the shaking process. Allow the sample to separate into two distinct layers and transfer the methylene chloride (lower layer) into a tared beaker or evaporating dish made of glass, Teflon1, or other inert material. Repeat the extraction process twice more.
NOTE: Always leave a small amount of methylene chloride in the separatory funnel to ensure that water does not get into the extracted sample. If water is present in the extracted sample, it will be difficult to completely evaporate the sample to dryness for gravimetric analysis.
8.2.2.i Transfer the remaining water in the separator funnel to a tared beaker or evaporating dish and evaporate at 105ºC. Desiccate for 24 hours and weigh to a constant weight.
8.2.2.ii Evaporate the combined impinger water extracts from Section 8.2.2 at laboratory temperature ( £ 70ºF) and pressure, desiccate for 24 hours and weigh to a constant weight.
8.2.3 Container No. 5: Transfer the contents of container No. 5 to a tared beaker or evaporating dish, evaporate at laboratory temperature and pressure, desiccate for 24 hours, and weigh to a constant weight.
8.2.4 Solvent Blanks: Evaporate a portion of the solvents in a manner similar to the sample evaporation to determine the solvent blanks.
9.0 Calculations
9.1 Nomenclature: Same as EPA Method 5 Section 12.1 with following additions:
Cm = Methylene chloride (or hexane) blank residue concentration, mg/g.
Cw =Distilled water blank residue concentration, mg/g.
mm = Mass of residue of methylene chloride (or hexane) after evaporation, mg.
mw =Mass of residue of distilled water after evaporation, mg.
Vmb = Volume of methylene chloride (or hexane)blank, ml.
Vmc = Volume of methylene chloride (or hexane) used for extracting the impinger water, ml.
Vwb =Volume of distilled water blank, ml.
Vws =Volume of distilled water for charging the impingers and for recovery, ml.
Wm = Weight of residue in methylene chloride (or hexane), mg.
Ww =Weight of residue of distilled water, mg.
ρm = Density of methylene chloride (or hexane), g/ml (see label on bottle).
ρw = Density of distilled water, g/ml (1.0 g/ml).
9.2 Dry Gas Volume: Same as EPA Method 5 Section 12.3.
9.3 Volume of Water Vapor Condensed: Same as EPA Method 5 Section 12.4.
9.4 Moisture Content: Same as EPA Method 5 Section 12.5.
9.5 Acetone Blank Concentration: Same as EPA Method 5 Section 12.6.
9.6 Acetone Blank Deduction: Same as EPA Method 5 Section 12.7 with the following addition: The acetone reagent blank weight correction will not exceed 0.001%, or 0.01 mg/ml. An acetone blank deduction value (Wa) of 0.0 mg shall be used when the acetone blank concentration (Ca) is less than or equal to zero.
9.7 Water Blank Concentration:
Cw =
(Eq. 5.9-1)
9.8 Water Blank Deduction:
Ww =
(Eq. 5.9-2)
NOTE: The distilled water reagent blank weight correction will not exceed 0.001%, or 0.01 mg/ml. A water blank deduction value (Ww) of 0.0 mg shall be used when the water blank concentration (Cw) is less than or equal to zero.
9.9 Methylene Chloride (or Hexane) Blank Concentration:
Cm =
(Eq. 5.9-3)
9.10 Methylene Chloride (or Hexane) Blank Deduction:
Wm =
(Eq. 5.9-4)
NOTE: The methylene chloride reagent blank weight correction will not exceed 0.001%, or 0.01 mg/ml. A methylene chloride (or hexane) blank deduction value (Wm) of 0.0 mg shall be used when the methylene chloride blank concentration (Cm) is less than or equal to zero.
9.11 Total Particulate Weight:
Determine the total particulate matter catch from the sum of the weights obtained from Containers 1, 2, 4, 5 (including the organic solvent extract of the water from Container No. 4), less the acetone, methylene chloride (or hexane), and distilled water blanks (see Figures 5-2a, 5-2b, and 5-2c).
9.12 Particulate Concentration: Same as EPA Method 5 Section 12.9.
9.13 Isokinetic Variation: Same as EPA Method 5 Section 12.11.
9.14 Stack Gas Velocity and Volumetric Flow Rate: Same as EPA Method 5 Section 12.12.
10.0 Alternative Procedures, Bibliography, Sampling Train Schematic, Example Data Sheets, Etc.:
Same as EPA Method 5 Sections 16, 17 and Figures 5-1 through 5-12 excluding Figure 5-6 (use ODEQ Method 5 Figures 5-2a through 5-2b in place of EPA Method 5 Figure 5-6).
Figure 5-1: Particulate Sampling Train

Figure 5-2a
METHOD 5 DATA ANALYSIS FORM
Plant_________________________________ Run Number_________________________
Sample Location________________________ Test Date____________________________
Sample Recovered by________________________________________________________
Reagent
| Date/Time
| Weight (g)
| Audit* (g)
| Lab Temp. oF
| Lab RH % | Analyst
|
FRONT HALF: |
Filter Filter ID:__________ Tare Wt.:__________ Date/time into desiccator:_________ | ||||||
|
|
|
|
|
| |
Acetone Beaker ID:_________ Tare Wt.:__________ Solv. Vol.:_________ Solv. ID:__________ Date/time into desiccator:___________ |
|
|
|
|
|
|
|
|
|
|
|
| |
|
|
|
|
|
|
BACK HALF: |
Acetone Beaker ID:_________ Tare Wt.:__________ Solv. Vol.:_________ Solv. ID:__________ Date/time into desiccator:___________
| ||||||
|
|
|
|
|
| |
Water Beaker ID:_________ Tare Wt.:__________ Water Vol.:________ Water ID:_________ Date/time into desiccator:___________
| ||||||
MeCl or Hexane Beaker ID:_________ Tare Wt.:__________ Solv. Vol.:_________ Solv. ID:__________ Date/time into desiccator:_________ | ||||||
*filter 0.5000 g + 0.5 mg tolerance – NIST traceable Class S weight
beaker 100.0000 g + 0.5 mg tolerance – NIST traceable Class S weight
Figure 5-2b
METHOD 5 BLANK ANALYSIS DATA FORM
Sample Prepared ___________________________________ Date_______________
Reagent
| Date/Time
| Weight (g)
| Audit* (g)
| Lab Temp. oF
| Lab RH % | Analyst
|
Filter Filter ID:__________ Tare Wt.:__________ Date/time into desiccator:_________ | ||||||
|
|
|
|
|
| |
Acetone Beaker ID:_________ Tare Wt.:__________ Solv. Vol.:_________ Solv. ID:__________ Date/time into desiccator:_________ |
|
|
|
|
| |
|
|
|
|
|
| |
|
|
|
|
|
| |
Water Beaker ID:_________ Tare Wt.:__________ Water Vol.:________ Water ID:_________ Date/time into desiccator:_________ | ||||||
MeCl or Hexane Beaker ID:_________ Tare Wt.:__________ Solv. Vol.:_________ Solv. Wt:__________ Date/time into desiccator:_________ | ||||||
*filter 0.5000 g + 0.5 mg tolerance – NIST traceable Class S weight
beaker 100.0000 g + 0.5 mg tolerance – NIST traceable Class S weight
Figure 5-2c
METHOD 5 TARE WEIGHT RECORD
Indicate: filters or evaporation containers
Media ID | Date_________ Time________ Temp_____ oF RH_______ % Audit____ gm By__________ | Date_________ Time________ Temp_____ oF RH_______ % Audit____ gm By__________ | Date_________ Time________ Temp_____ oF RH_______ % Audit____ gm By__________ | Date_________ Time________ Temp_____ oF RH_______ % Audit____ gm By__________ | Date_________ Time________ Temp_____ oF RH_______ % Audit_____ gm By__________ |
Weight (g) | Weight (g) | Weight (g) | Weight (g) | Weight (g) | |
SUB-APPENDIX C-7
OREGON DEQ
SOURCE SAMPLING
METHOD 7
Oregon Method 7
State of Oregon
Department of Environmental Quality
Source Sampling Method 7
Sampling Condensable Particulate Emissions from Stationary Sources
1.0 Principle and Applicability
1.1 Principle: Particulate matter including condensable gases is withdrawn isokinetically from a flowing gas stream. The particulate matter is determined gravimetrically after extraction with an organic solvent and evaporation.
1.2 Applicability: This method is applicable to stationary sources whose primary emissions are condensable gases. It should be considered a modification of Source Sampling Method 5, and applied only when directed to do so by DEQ.
2.0 Acceptability. Results of this method will be accepted as demonstration of compliance (or non-compliance) provided that the methods included or referenced in this procedure are strictly adhered to and a report is prepared according to Section 2.11 of DEQ’s Source Sampling Manual, Volume I. Deviations from the procedures described herein will be permitted only if permission from DEQ is obtained in writing in advance of the tests.
3.0 Equipment and Supplies: Same as Oregon Source Sampling Method 5 Sections 3.1 through 3.5 with the following addendum:
3.1 Sampling train (Figure 7-1): Same as Oregon Source Sampling Method 5 Section 3.1 with the following exceptions:
3.1.1 The heated filter and/or cyclone are optional, but should be used if a significant quantity of filterable particulate matter is present.
3.1.2 An unheated glass fiber filter is placed at the inlet to the silica gel impinger (generally Impinger 4).
4.0 Reagents and Standards: Same as Oregon Source Sampling Method 5 Section 4.1 through 4.3.
5.0 Sample Collection, Preservation, Storage, and Transport: Same as Oregon Source Sampling Method 5 Sections 5.1 through 5.8 with the following addenda:
5.1 Preparation of Sampling Train: Same as Oregon Source Sampling Method 5 Section 5.3 with the following addition:
5.1.1 Insert numbered and pre-weighed filters into each of the front (heated if used) and back (non-heated) filter holders.
5.2 Sample Recovery: Same as Oregon Source Sampling Method 5 Section 5.7 with the following addition:
5.2.1 Container 6: Transfer the back filter to container No. 6.
6.0 Quality Control: Same as Oregon Source Sampling Method 5 Sections 6.1 and 6.2.
7.0 Calibration and Standardization: Same as Oregon Source Sampling Method 5 Sections 7.1 through 7.8.
8.0 Analytical Procedures: Same as Oregon Source Sampling Method 5 Sections 8.1 through 8.2 with the following addendums:
8.1 Documentation: Analytical documentation shall be consistent with the data entry forms presented in Figure 7-2 of Oregon Source Sampling Method 7, and Figures 5-2b through 5-2c of Oregon Source Sampling Method 5
8.2 Analysis: Same as Oregon Source Sampling Method 5 Section 8.2 with the following addition:
8.2.1 Container No. 6: Desiccate the back filter in Container No. 6 for 24 hours at 70oF or less. Weigh the filter to a constant weight.
Note: In some cases, desiccation may cause slow vaporization of the condensable material. Therefore, if the weights continue to decrease over time and the sample is obviously dry, use the average of the first three weights to determine the particulate matter catch.
9.0 Calculations: Same as Oregon Source Sampling Method 5 Sections 9.1 through 9.14 with the following addendum:
9.1 Total Particulate Weight: Determine the total particulate matter catch from the sum of the weights obtained from Containers 1 (if front filter is used), 2, 4, 5, & 6 (including the organic solvent extract of the water from Container No. 4), less the acetone , methylene chloride (or hexane), and distilled water blanks (see Figure 7-2).
10.0 Alternative Procedures, Bibliography, Sampling Train Schematic, Example Data Sheets, Etc.: Same as Oregon Source Sampling Method 5 Section 10.0 with the following addenda:
10.1 An unheated glass fiber filter is placed at the inlet to the silica gel impinger (generally Impinger 4).
10.2 Use ODEQ Method 7 Figure 7-2 in place of ODEQ Method 5 Figure 5-2a.
FIGURE 7-1. OREGON METHOD 7 SAMPLING APPARATUS

Figure 7-2
OREGON METHOD 7 DATA ANALYSIS FORM
Facility_________________________________ Run Number_____________________
Sample Location________________________ Test Date________________________
Sample Recovered by_______________________________________________________
Reagent
| Date/Time
| Weight (g)
| Audit* (g)
| Lab Temp. oF
| Lab RH % | Analyst
|
FRONT HALF: |
Front Filter Filter ID:____________ Tare Wt.:____________ Date/time into desiccator:___________ | ||||||
|
|
|
|
|
| |
Acetone Beaker ID:___________ Tare Wt.:____________ Solv. Vol.:___________ Solv. ID:_____________ Date/time into desiccator:____________ |
|
|
|
|
|
|
|
|
|
|
|
| |
|
|
|
|
|
|
BACK HALF: |
Back Filter Filter ID:____________ Tare Wt.:____________ Date/time into desiccator:___________ | ||||||
Acetone Beaker ID:___________ Tare Wt.:____________ Solv. Vol.:___________ Solv. ID:_____________ Date/time into desiccator:____________
| ||||||
|
|
|
|
|
| |
Water Beaker ID:___________ Tare Wt.:____________ Water Vol.:__________ Water ID:____________ Date/time into desiccator:____________
| ||||||
MeCl or Hexane Beaker ID:___________ Tare Wt.:____________ Solv. Vol.:___________ Solv. ID:____________ Date/time into desiccator:___________ | ||||||
*filter 0.5000 g + 0.5 mg tolerance – NIST traceable Class S weight
beaker 100.0000 g + 0.5 mg tolerance – NIST traceable Class S weight
SUB-APPENDIX C-8
OREGON DEQ
SOURCE SAMPLING
METHOD 8
Oregon Method 8
State of Oregon
Department of Environmental Quality
Source Sampling Method 8
Sampling Filterable Particulate Emissions from Stationary Sources
(High Volume Method)
1. Principle and Applicability
1.1 Principle: Particulate matter is withdrawn isokinetically from a flowing gas stream and deposited on a glass fiber filter. The particulate matter is determined gravimetrically after removal of uncombined water.
1.2 Applicability: This method is applicable to stationary sources whose exhaust points do not meet minimum EPA Method 1 flow disturbance requirements and whose primary emissions are solid (filterable) particulate. Its primary application is intended to be for wood product handling cyclones and baghouse exhaust systems. Caution must be taken when applying this method to sources with elevated exhaust temperatures and/or moistures as they may diminish the integrity of the sampling filter and damage the sampling apparatus.
2.0 Acceptability: Results from this method will be accepted as a demonstration of compliance (or non-compliance) provided that the methods included or referenced in this procedure are strictly adhered to and a report containing at least the minimum amount of information regarding the source is included as described in Section 2.11 of Oregon DEQ’s Source Sampling Manual, Volume I. Deviations from the procedures described herein will be permitted only if permission from DEQ is obtained in writing in advance of the tests.
3.0 Sampling Apparatus (Figure 8-1)
3.1 Nozzle - smooth metal construction with sharp leading edge. The nozzle shall be connected to the probe by means of a joint designed to minimize particulate matter deposition.
3.2 Probe - smooth metal construction. The probe shall be attached to the nozzle and filter holder with air-tight joints designed to minimize particulate matter deposition. The probe should be as short as possible.
3.3 Filter Holder - air-tight with support screen for the filter.
3.4 Metering system - a calibrated orifice followed by a thermometer or thermocouple and flow control device. The metering system shall be connected to the filter holder by means of an air-tight joint.
3.5 Pitot Tube – Standard pitot same as EPA Method 2, Sec. 6.7.1, or S-type same as EPA Method 2, Sec. 6.1, or equivalent.
3.6 Blower - high capacity (typically 60 cfm free air). The blower may be connected to the metering system by a flexible hose if desired.
3.7 Probe-Nozzle Brush - flexible, nylon bristle brush at least as long as the probe and nozzle.
3.8 Differential Pressure Gauges - liquid manometer, Magnehelic2, or equivalent.
3.9 Barometer - mercury, aneroid, or other type capable of measuring atmospheric pressure to within 0.1”Hg. If the barometric pressure is obtained from a nearby weather bureau station, the true station pressure (not corrected for elevation) must be obtained and an adjustment for elevation differences between the station and sampling site must be applied.
3.10 Temperature Gauges - Same as EPA Method 2 Section 6.3.
3.11 Timer - integrating type, accurate and readable to the nearest 6 seconds (tenth of a minute).
3.12 Wash Bottles: Same as EPA Method 5 Section 6.2.2 .
3.13 Filter Storage Container - clean manila envelopes and tagboards, or suitable equivalent.
3.14 Sample Storage Containers - glass with leak-tight cap that is resistant to attack by the solvent used, and allows complete recovery of particulate matter. Polyethylene bottles are also acceptable.
4.0 Reagents and Standards
4.1 Filters - glass fiber filters, free of pinhole leaks or other imperfections and exhibiting at least 99.95% efficiency on 0.3 micron DOP smoke particles. Desiccate individually numbered filters for 24-hours and weigh to the nearest 0.5 mg before use.
4.2 Rinse Solvent - acetone, reagent-grade, < 0.001% (0.008 mg/ml) residue. For aluminum probes and nozzles, methanol may be substituted for acetone. The same purity is required.
5.0 Sample Train Preparation
5.1 All parts of the sampling train shall be cleaned and properly calibrated as directed in Section 10.
5.2 Place a filter in the filter holder with the coarse side facing the flow, being careful not to damage it. Be certain that the filter is positioned so that no air can be drawn around the filter.
5.3 Assemble the sample train with the appropriate nozzle and length of probe. Perform a leak check by plugging the nozzle, turning on the blower, and observing the deflection of the flow orifice pressure gauge. The acceptable leakage rate shall not exceed 5% of the expected sample flow rate.
6.0 Sample Collection, Preservation, Storage, and Transport
6.1 Use a pitot tube to roughly map the velocity distribution across the face of the exhaust opening or duct. Areas of zero or negative flow should also be indicated if present. At each point at which the velocity is measured, measure the flow in the direction giving maximum deflection of the pitot pressure gauge. Record the data on a form similar to Figure 8-6.
6.2 Select six or more points of outgoing (positive) flow from the points measured in Section 6.1 to sample. The points shall be representative of the flow pattern, and shall include the point of maximum velocity. If six points of positive flow cannot be obtained, use the maximum number possible. Do not choose any points closer than 2 inches to the exhaust duct wall.
Alternatively, sample point locations may be determined utilizing criteria specified within EPA Method 1 if the minimum distances from upstream and downstream flow disturbances are met (Figure 1-1 of EPA Method 1).
6.3 Measure the exhaust temperature.
6.4 Determine the nozzle size required for isokinetic sampling. An estimate of the orifice temperature is required. For low temperature exhausts, the orifice temperature is usually very close to the exhaust temperature. For higher temperature exhausts, a trial run may be necessary to determine the expected orifice temperature.
6.5 Calculate the required orifice pressure drop for each chosen sampling point to obtain an isokinetic sample rate. With the probe out of the exhaust stream, turn on the blower and adjust the sample flow rate to that calculated for the first sampling point in Section 6.2. Locate the probe nozzle at the first sampling point, and immediately start the timer. Move the probe around until the velocity pressure matches that for which the sampling flow rate was pre-set. The probe nozzle must be pointing directly into the flow.
6.6 Continually monitor the velocity during the sampling period and move the probe around as required to keep it in an area where the velocity matches the original velocity used to calculate the pre-set sampling rate. Record the sampling time, the orifice temperature, and orifice pressure drop on a data sheet similar to Figure 8-7. Record data every 5 minutes or once per sampling point, whichever is more frequent. Sample for a length of time so that the total sampling time for all points is at least 15 minutes and a minimum of 100 mg of particulate matter is collected.
6.7 Repeat steps 6.5 and 6.6 for each sampling point. The blower need not be turned off between points if readjustments to the new sampling rate can be made rapidly (less than 15 seconds).
6.8 Care should be taken so that the nozzle does not touch the walls of the exhaust stack because particulate matter may be dislodged and enter the sample train. If there is reason to believe this has happened, discontinue the sample, clean the train, and restart the test.
6.9 If excessive loading of the filter should occur such that isokinetic conditions cannot be maintained, replace the filter and continue the test.
6.10 At the conclusion of the sampling period, remove the probe from the exhaust and turn off the blower (do not reverse this order because the filter may be broken and sample lost). Plug the nozzle to prevent sample loss, and transport to the sample recovery area.
6.11 Conduct a post-test leak check (as per Section 5.3).
6.12 Measure the moisture content, molecular weight, and the pressure (absolute) of the exhaust gas. In most cases, the moisture may be measured by the wet bulb/dry bulb technique as described in Oregon Source Sampling Method 4. The molecular weight shall be measured by EPA Method 3 or 3a. If the exhaust gas being sampled is ambient air, the dry molecular weight can be assumed to equal 29 lbs/lb mol (29 g/g mol). If feasible, these supplemental measurements should be conducted during each PM sample run. Otherwise, these supplemental measurements should be conducted immediately prior to and immediately following each PM sample run. The process operating parameters realized during these supplemental measurements must be consistent with the parameters encountered during the PM sampling collection.
7.0 Sample Recovery
7.1 Remove the nozzle plug, turn on the blower, insert the probe brush into the nozzle, and brush the particulate from the nozzle and probe onto the filter. Do not insert the brush so far in that it will come into contact with the filter. Turn off the blower and recover the PM adhered to the brush. This brushing process must be performed after every PM sample run.
7.2 Open the filter holder and carefully remove the filter. Inspect the filter for holes or tears. A leak around the filter is likely if particulate deposits are found at the edge of the filter. If any of these problems are found, the observations should be recorded on the field data sheet and the sample should be voided (repeat the run). Fold the filter once lengthwise with the dirty side in, and place in a folded manila tagboard (or equivalent), folded edge down. Fasten the outside edge of the tagboard (or equivalent) with a paper clip, and place in the manila envelope (or equivalent). Be aware that some filter material will likely remain on the gasket and filter support. If possible, these filter remains should be removed with a spatula and placed within the folded filter.
7.3 Rinse the inside front of the filter holder, probe, and nozzle with a measured amount of acetone or methanol while brushing. Repeat the rinsing/brushing until all particulate and filter remains is removed as evidenced by a lack of visible residue on the inside surfaces after evaporation of the acetone or methanol. Be sure to also recover the PM matter adhered to the recovery brushes. Retain the acetone or methanol rinse and a blank sample of the acetone or methanol in labeled containers for laboratory analysis. This rinsing process must be performed after every PM sample run.
8.0 Analytical Procedures
8.1 Desiccate the filter for 24-hours at room temperature (70ºF or less), and weigh to a constant weight to the nearest 0.5mg.
NOTE: Make certain that any particulate that may have dislodged from the filter into the tagboard or envelope (or their equivalent) is returned to the filter before weighing. Alternatively, the filter and corresponding filter receptacle (envelope) may be tared simultaneously and analyzed collectively. In this case, the filter receptacle must be opened prior to being placed in the desiccator to instigate sample drying.
Since the relatively large filter and particulate catch may be hygroscopic, weigh immediately upon removal from the desiccator.
8.2 Filter blanks shall be run in the field before and after the complete source testing activity. A minimum of 2 filter blanks shall be collected for each source test. This is accomplished by inserting a pre-weighed filter into the filter holder, performing a leak check, removing the filter, and treating it as a sample filter in accordance with Section 7.2.
8.3 Quantitatively transfer the solvent rinse and blank solvent to tared beakers or evaporating dishes, evaporate at room temperature (70ºF or less) and pressure, desiccate, and weigh to a constant weight to the nearest 0.5 mg.
8.4 Record the data on forms similar to Figures 8-2, 8-3, 8-4, and 8-5.
9.0 Exhaust Gas Flow Rate Measurement
9.1 If the PM sampling location does not satisfy the flow disturbance requirements of EPA Method 1, then an alternate sampling location shall be selected for a velocity traverse. The velocity traverse location shall meet EPA Method 1 requirements and should accurately represent the flow rate to the atmosphere at the particulate sampling point (i.e., no air flows should be added to or removed from the system between the velocity and the particulate sampling points).
9.2 The dry molecular weight of the gas stream shall be determined as per EPA Method 3 or 3a. If the exhaust gas being sampled is ambient air, the dry molecular weight can be assumed to equal 29 lbs/lb mol (29 g/g mol).
9.3 In most cases, the moisture may be measured by the wet bulb/dry bulb technique as described in Oregon Source Sampling Method 4. If Oregon Source Sampling Method 4 is not applicable, then exhaust moisture must be measured as per EPA Method 4.
9.4 The flow rate shall be measured as per EPA Method 2 at the location specified by Section 9.1 of this DEQ method.
9.5 If possible, the flow rate (including velocity, molecular weight, & moisture) should be measured during each PM sample run. Alternatively, these supplemental measurements should be conducted immediately prior to and immediately following each PM sample run. The process operating parameters realized during these supplemental measurements must be consistent with the parameters encountered during the PM sampling collection.
10.0 Calibration
10.1 The orifice flow meter shall be calibrated at least once within twelve months of the sampling date using a primary standard or a device which has been calibrated against a primary standard. The calibration data and calibration curves for the orifice and intermediate standard shall be included in the source test report, along with documentation of the primary standard.
10.2 All S-type pitot tubes, differential pressure gauges, and thermometers or thermocouples, shall be calibrated at least once within six months of the sampling date. The calibration data and/or calibration curves shall be included in the source test report.
10.3 The calibration records shall include the date, place, and method of calibration.
10.4 Differential pressure gauges (if not liquid manometers) shall be calibrated against a liquid manometer.
10.5 The following calibration and standardization procedures must be performed on the analytical balance:
10.5.1 The balance must be audited utilizing 0.500 g, 1.0000 g, 10.0000 g, 50.0000 g, and 100.0000 g Class-S standard weights. Alternatively, five (5) Class-S standard weights may be substituted that accurately represent the anticipated measurement range. The balance results must agree within +1 mg of the Class-S weights. At a minimum, the balance calibration must be performed subsequent to disturbing the analytical balance and annually thereafter.
10.5.2 Prior to weighing filters before and after sampling, adjust the analytical balance to zero and check the accuracy with a 5 g Class-S weight. A Class-S standard weight within 1 g of the filter weight may be used as an alternate. The balance results must agree within +0.5 mg and the temperature in the weighing environment must be <70oF.
10.5.3 Prior to weighing beakers before and after sampling, adjust the analytical balance to zero and check the accuracy with a 100 g Class-S standard weight. A Class-S standard weight within 1 g of the beaker weight may be used as an alternate. The balance results must agree within +0.5 mg and the temperature in the weighing environment must be < 70oF.
11.0 Calculations
11.1 Total particulate emissions from the system shall be calculated by multiplying the measured particulate concentration by the flow rate through the exhaust system. An index to the parameters utilized in these calculations are as follows:
Bws = Moisture content of sample stream as per EPA 4 or ODEQ 4, vol./vol.
Cg = Calculated PM concentration, gr/dscf.
Cp = Pitot tube coefficient for Method 8 apparatus, typically 0.99
Dn = Sample nozzle diameter, inches.
√dp = Average square root of velocity pressures measured at sample points, (“H2O)1/2.
E= PM emission rate, lb/hr
I = Isokinetic sampling rate percentage, %
Mc = Molecular weight of gas stream used to calibrate orifice, typically 29.0 #/#mol.
mn = Mass of PM recovered from sampling apparatus, mg
Ms = Molecular weight of sample gas stream on a wet basis, #/# mol.
Pbs = Barometric pressure during the course of sampling, “Hg.
Ps = Absolute exhaust pressure at sampling location, “Hg.
Qsstd = Standard exhaust gas flow rate, dscfm
SRstd=Standard sample rate (wet) as indicated by calibration curve, scfm
SRstd’ = Corrected standard sample rate (wet) for temp., pressure, & molecular weight, scfm.
SRstd’i = Corrected standard sample rate (wet) at sample point “i”, scfm.
Tos = Orifice temperature measured at sample point, oR.
Ts=Average exhaust temperature at sampling location, oR
Vstd’ = Standard sample volume (dry) of entire test replicate, dscf.
Ø = Sampling time of entire test replicate, min.
Øi = Sampling time at sample point “i”, min.
11.2 Particulate Concentration: The following calculations shall be conducted for each test run:
11.2.1 Total Sample Weight: Calculate the total sample weight from laboratory results by adding the net weight gain of the filter sample(s), adjusted for a blank value, to the net weight of particulate matter collected in the acetone (or methanol) rinse, corrected for an acetone (or methanol) blank. Record the results on a laboratory form similar to Figure 8-5.
11.2.2 Sampling Rate: Sample flow rates for each point shall be determined from the orifice calibration curve. Typically, the orifice calibration curve is a plot of orifice pressure drop versus sample flow rates at standard temperature and pressure. Some calibration curves account for varying orifice temperatures, but rarely do they adjust for orifice pressure and gaseous molecular weight.
Consequently, the calibration curve must be corrected to accurately reflect the relationship between the orifice differential pressure and the standard sampling flow rate. The correction to the standard sampling flow rate for a constant orifice differential is specified by Equation 8.11-1.
(Eq. 8.11-1)
Note: Equation 8.11-1 only applies to the calibration curve that represents an orifice temperature of 68o F and an orifice pressure of 29.92”Hg. Set Mc equal to Ms (Mc:Ms ratio of 1) if sample gas is mainly comprised of air with Bws less than 0.05 vol./vol.
11.2.3 Total Sample Gas Volume: Calculate the sample gas volume by multiplying each sample point duration in minutes, times the average sample rate (wet standard cubic feet per minute – wscfm) as determined using the orifice calibration curve and the corrected sample rate from Equation 8.11-1. Add the volume of all sample points and adjust for exhaust gas moisture to get the total dry standard sample gas volume for the entire test run as shown by Equation 8.11-2.
(Eq. 8.11-2)
11.2.4 Calculate the particulate concentration in gr/dscf by the following equation:
(Eq. 8.11-3)
11.3 Total Exhaust Gas Flow Rate: Use EPA Method 2 calculations to determine the total exhaust gas flow rate using the data obtained from Section 9 of this DEQ method. For some cyclones, the total flow may be adjusted to account for air purposely vented out the bottom of the cyclone.
11.4 Total Emissions: Calculate the total particulate emission rate (lb/hr) by the following equation:
(Eq. 8.11-4)
11.5 Percent Isokinetic Sampling Rate: Calculate the isokinetic sampling rate, defined as the ratio of the average velocity of the sample gas entering the sample nozzle to the average sample point velocity. In order to achieve acceptable results, the value of this parameter must be between 80% and 120%. Test results falling outside this range shall be discarded, and the test repeated.
(Eq. 8.11-5)
12.0 Test Reports
The test report shall include as a minimum the information requested in Section 2.11 of this manual.
Figure 8-1

Figure 8-2
METHOD 8 DATA ANALYSIS FORM
Facility_________________________________ Run Number________________
Sample Location________________________ Test Date___________________
Sample Recovered by________________________________________________
Reagent
| Date/Time
| Weight (g)
| Audit* (g)
| Lab Temp. oF
| Lab RH % | Analyst
|
Filter Filter ID:____________ Tare Wt.:____________ Date/time into desiccator: ___________ | ||||||
|
|
|
|
|
| |
Acetone Beaker ID:___________ Tare Wt.:____________ Solv. Vol.:___________ Solv. ID:_____________ Date/time into desiccator: ____________ |
|
|
|
|
|
|
|
|
|
|
|
| |
|
|
|
|
|
|
*filter 5.0000 g + 0.5 mg tolerance – NIST traceable Class S weight
beaker 100.0000 g + 0.5 mg tolerance – NIST traceable Class S weight
Figure 8-3
METHOD 8 BLANK ANALYSIS DATA FORM
Samples Prepared by________________________ Date________________
Reagent
| Date/Time
| Weight (g)
| Audit* (g)
| Lab Temp. oF
| Lab RH % | Analyst
|
Pre Test Blank Filter Filter ID:____________ Tare Wt.:____________
| ||||||
|
|
|
|
|
| |
Post Test Blank Filter Filter ID:____________ Tare Wt.:____________
| ||||||
Blank Acetone Beaker ID:___________ Tare Wt.:____________ Solv. Vol.:___________ Solv. ID:_____________
|
|
|
|
|
|
|
|
|
|
|
|
| |
|
|
|
|
|
|
*filter 5.0000 g + 0.5 mg tolerance – NIST traceable Class S weight
beaker 100.0000 g + 0.5 mg tolerance – NIST traceable Class S weight
Figure 8-4
METHOD 8 TARE WEIGHT RECORD
Indicate: filters or evaporation containers (beakers)
Media ID | Date_________ Time________ Temp_____ oF RH_______ % Audit____ gm By__________ | Date_________ Time________ Temp_____ oF RH_______ % Audit____ gm By__________ | Date_________ Time________ Temp_____ oF RH_______ % Audit____ gm By__________ | Date_________ Time________ Temp_____ oF RH_______ % Audit____ gm By__________ | Date_________ Time________ Temp_____ oF RH_______ % Audit_____ gm By__________ |
Weight (g) | Weight (g) | Weight (g) | Weight (g) | Weight (g) | |
Figure 8-5
METHOD 8 ANALYSIS SUMMARY
Facility_________________________________ Run Number_________________
Sample Location________________________ Test Date____________________
Sample Recovered by_________________________________________________
ANALYSIS | RUN _____ | RUN _____ | RUN _____ | RUN _____ | RUN _____ |
SAMPLE FILTER |
Filter ID | |||||
Gross Weight, mg | |||||
Tare Weight, mg | |||||
Net Weight, mg |
PRE TEST BLANK FILTER |
Filter ID | |||||
Gross Weight, mg | |||||
Tare Weight, mg | |||||
Net Weight, mg |
POST TEST BLANK FILTER |
Filter ID | |||||
Gross Weight, mg | |||||
Tare Weight, mg | |||||
Net Weight, mg |
ACETONE RINSE |
Acetone ID | |||||
Acetone Volume, mls | |||||
Gross Weight, mg | |||||
Tare Weight, mg | |||||
Net Weight, mg |
ACETONE BLANK |
Acetone ID | |||||
Acetone Blk Vol., mls | |||||
Gross Weight, mg | |||||
Tare Weight, mg | |||||
Net Weight, mg | |||||
Net Weight, mg/ml |
TOTAL PM RECOVERY* |
PM Recovered, mg |
*Total PM = (Filter) – (Average (pre-test blank & post-test blank)) + (Acetone Rinse) – (Acetone Blank Corrected for Rinse Volume). Note: The blank corrections for the filter and/or rinse samples are ‘0’, if the blank filter or rinse samples yield negative weight gains.
Oregon Source Sampling Method 8
High Volume Sampling Data
Form 1 of 2
Figure 8-6
VELOCITY PRE-SURVEY
Plant Name & Location______________________________________________________
Date____________ Time_________________ By (name)___________________________
Source Location or ID_______________________________________________________
□Low Pressure System □High Pressure System
Type of Exhaust: □Straight Vertical □China Hat
□Goose-Neck □Other (specify)_________
Temperature: Dry Bulb _______________ºF Wet Bulb ______________ºF
Velocity Survey: Record velocity head at enough points to roughly map the velocity distribution across the exhaust cross-section. Select six points for sample collection and show in diagram.
| X inches | Y inches | D P “ H2O | Check if selected ( ) |
1 | ||||
2 | ||||
3 | ||||
4 | ||||
5 | ||||
6 | ||||
7 | ||||
8 | ||||
9 | ||||
10 | ||||
| ||||
12 |
| |||
Average |
Figure 8-7
Sampling Data and Field Analysis
Plant Name/Location __________________________ Source Identification ________________Run #________
Date_________ Time_________ By (name)______________Process Operation During Test: ______________
Temperature: Dry bulb___________ Wet bulb___________ %Moisture__________ Ambient____________
Gas composition: %O2 _____________ %CO2 _____________ Pitot factor (Cp)____________
Static Press (Pg)______"H2O
Nozzle Dia. _________ Nozzle area (An)_____________ Barometric Pressure(Pb) __________________in. Hg
Pt. | Location | Velocity Pressure | Orifice ΔH | Orifice Temperature
oF | Sample Time
minutes | Sample Rate Indicated by Calibration Curve scfm | Sample Rate Corrected for Sampling Conditions scfm | Sample Volume
dscf |
X | Y | ∆P | √∆P | Pre-set “ H2O | Actual “H2O |
1 |
2 |
3 |
4 |
5 |
6 |
Avg. or Total | -- | -- | -- | -- |
Sample Filter ID: | |
Acetone ID: | |
Acetone Volume, mls. | |
Pre Test Blank Filter ID: | |
Post Test Blank Filter , ID: |
APPENDIX D
GENERAL CALIBRATION
REQUIREMENTS
FOR
OREGON SOURCE
SAMPLING METHODS
Table D-1: CALIBRATION REQUIREMENTS FOR OREGON DEQ SOURCE SAMPLING METHODS
Measurement Equipment | Reference | Calibration Points | Frequency | Acceptance Criteria | Applicable ODEQ Method |
M4 | M5 | M7 | M8 |
TEMPERATURE MEASURING DEVICES |
Stack/Exhaust
| ASTM mercury thermometer, NIST traceable, or thermocouple/potentiometer | 32oF & 212oF or Sec. 10.3 of EPA M2 | every 6 months or EPA M2 | +1.5% absolute | X | X | X | X |
Oven/Filter | ASTM mercury thermometer, or NIST traceable | 32oF & 212oF | every 6 months | +1.5% absolute | X | X |
Impinger Exit | ASTM mercury thermometer, or NIST traceable | 32oF & 212oF | every 6 months | +1.5% absolute | X | X |
Dry Gas Meter | ASTM mercury thermometer, or NIST traceable | 32oF & 212oF | every 6 months | +1.5% absolute | X | X |
Orifice Meter | ASTM mercury thermometer, or NIST traceable | 32oF & 212oF | every 6 months | +1.5% absolute | X |
Note: The entire measurement system including readout shall be calibrated. All thermocouples should be checked before each source test. This could be accomplished by noting on the field data sheets that all of the thermocouples and/or thermometers register the same temperature at ambient conditions. |
SAMPLE NOZZLE |
Sample Nozzle (initial & thereafter) | micrometer | 3 diameters | 12 months & after repair
| high minus low <0.004” | X | X | X |
Sample Nozzle (pre-test) | visual inspection | tapered edge of opening | prior to each field use | no nicks, dents, or corrosion | X | X | X |
PITOT TUBES |
S-type pitot tube (preferred procedure) | standard pitot tube (Cp=0.99) | 800; 1,500; 3,000; & 4,500 fpm | every 6 months | mean deviation <0.01 A & B deviation <0.01 | X | X | X |
S-type pitot tube (Dt, PA, PB, x, Z, & W in limits) | specifications illustrated in Method 2, Figures, 2-2, 2-3, 2-4, 2-7, & 2-8 | face alignments & dynamic interferences | pre & post each field use | EPA Method 2 | X | X | X |
Standard pitot tube | specifications of EPA Method 2, Section 6.7 and Figure 2-5 | static pressure holes location & size | prior to initial use | > 6 D to tip, >8 D to bend, 0.1D hole diam. | X | X | X |
Note: Where inconsistencies exist, quality assurance requirements specified by method supersede those presented within Tables D-1 & D-2.
Table D-2: CALIBRATION REQUIREMENTS FOR OREGON DEQ SOURCE SAMPLING METHODS
Measurement Equipment | Reference | Calibration Points | Frequency | Acceptance Criteria | Applicable ODEQ Method |
M4 | M5 | M7 | M8 |
SAMPLE VOLUME METERING EQUIPMENT |
Dry Gas Meter (pre test) | standard meter | 3 orifice pressures (1.0”, 2.0”, & 3.0”H2O) | every 6 months | Y + 0.02 from average ΔH@ +0.2 from average | X | X |
Dry Gas Meter (post test) | standard meter | 3 replicates at avg. ΔH and max. vacuum during test | following each source test | Ypost +5% of Ypre | X | X |
Standard Gas Meter (dry gas meter) | spyrometer or wet test meter | 5 orifice pressures over range | annual | Ymax – Ymin<0.030 0.95<Y<1.05 | X | X |
Standard Gas Meter (wet test meter) | spyrometer | 3 flow rates (0.25, 0.5, & 0.75 cfm) | annual | deviation < 1% | X | X |
High-Volume Orifice (pre test) | standard orifice or meter (or approved equivalent) | 7 settings over full range of orifice | every 12 months | demonstrate linearity on a logarithmic plot | X |
Critical Orifices (as a calibration standard) | standard meter | duplicate runs for each orifice | every 6 months | K’ + 0.5% from average | X | X |
MISCELLANEOUS EQUIPMENT |
Magnehelic3 | liquid manometer | 3 points over range | after each field use | +5% | X | X | X |
Barometer (aneroid type) | mercury barometer | one point | annual | + 0.1”Hg | X | X | X | X |
Note: Where inconsistencies exist, quality assurance requirements specified by method supersede those presented within Table D-1 & D-2.
Mention of trade names or specific products does not constitute endorsement by DEQ.
Mention of trade names or specific products does not constitute endorsement by DEQ.
Mention of trade names or specific products does not constitute endorsement by DEQ.